Follow Us:

Products
SRC(4078) Relay
  • SRC(4078) RelaySRC(4078) Relay

SRC(4078) Relay

Looking for a reliable China manufacturer and supplier? Look no further ! Ningbo Songle Relays Co., Ltd. is a leading factory offering high-quality SRC(4078) Relay .

Key Product Highlights

Process Adaptability Design: The SRC(4078) Relay adopts an epoxy-sealed structure, directly adapting to automated wave soldering processes and subsequent cleaning procedures without additional protective treatment, meeting the needs of automated production lines in the electronics manufacturing industry. It also matches a 16-pin IC socket, enabling rapid integration into IC-related modules and simplifying the assembly process.

Contact and Performance Advantages: The SRC(4078) Relay features a branched contact design with a contact resistance ≤50mΩ, ensuring stable transmission and low loss. It supports 125VA/60W switching capacity (adapting to 1A 120VAC, 2A 30VDC loads), boasts an electrical life of 10⁵ cycles and a mechanical life of 10⁷ cycles, ensuring long-term reliability.


FEATURES

Bifurcated contacts

switchingcapacity:125VA/60W

Matching 16 pin IC socket

Epoxy sealed for automatic-wave soldering and cleaning

Low latency

fast response

low power consumption

high sensitivity

ultra-low contact resistance


Contact Parameters

Item Parameters
Contact arrangement 2C
Contact rating 1A 120VAC, 2A 30VDC
Contact resistance ≤50mΩ
Electrical endurance 10⁵ / 10⁴
Mechanical endurance 10⁷


Coil Parameters

Item Parameters
Nominal voltage 3–24VDC
Power dissipation 0.36W, 0.2W
Pick-up voltage(Max) 75% of nominal voltage
Drop-out voltage(Min) 5% of nominal voltage


Other Parameters

Item Parameters
Ambient temperature(℃) −40℃~+85℃
Dielectric strength (Between coil and contacts) (1min) 1000VAC
Dielectric strength (Between open contacts) (1min) 500VAC
Insulation resistance (500VDC) 100MΩ
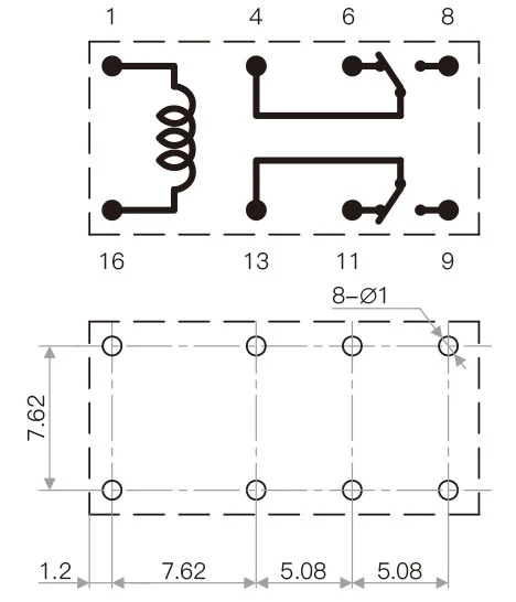
Wiring diagram (Bottom view) SRC(4078) Relay
Installation hole drawing (Bottom view)
Termination P.C.B.
Weight 6g
Safety approval SRC(4078) Relay


Hot Tags: China SRC(4078) Relay Manufacturer , Supplier
Send Inquiry
Contact Info
For inquiries about Power Relay , Signal Relay , Automotive Relays or price list,Send inquiry to Songle,  China’s top relay factory!  please leave your email to us and we will be in touch within 24 hours.
X
We use cookies to offer you a better browsing experience, analyze site traffic and personalize content. By using this site, you agree to our use of cookies. Privacy Policy
Reject Accept